ZEST AND BOLT - page 557

DRIVETRAIN-TA65 Star
29
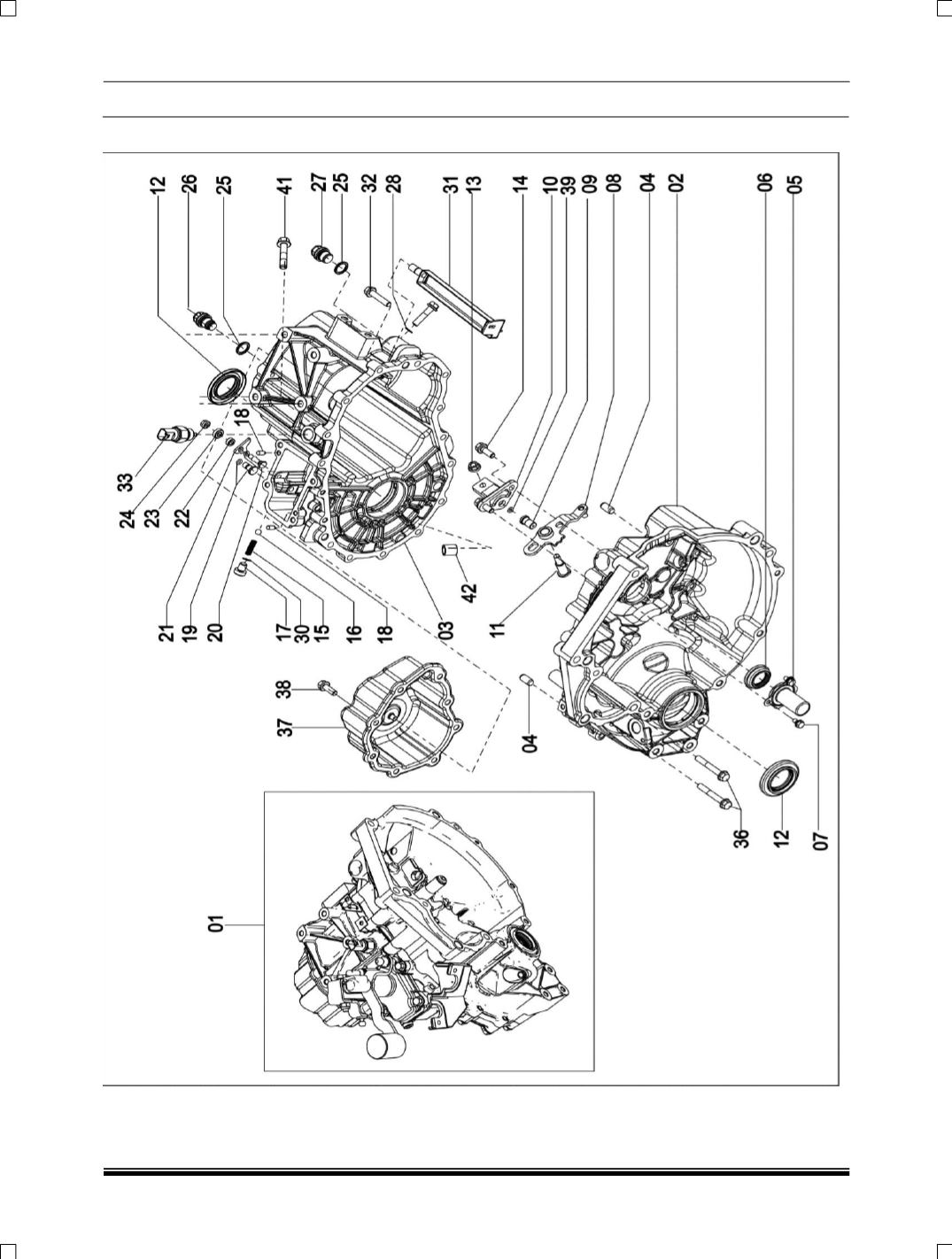
EXPLODED VIEW OF TRANSAXLE:
1...,547,548,549,550,551,552,553,554,555,556 558,559,560,561,562,563,564,565,566,567,...
Powered by FlippingBook