ZEST AND BOLT - page 1262-1263

39
Electrical
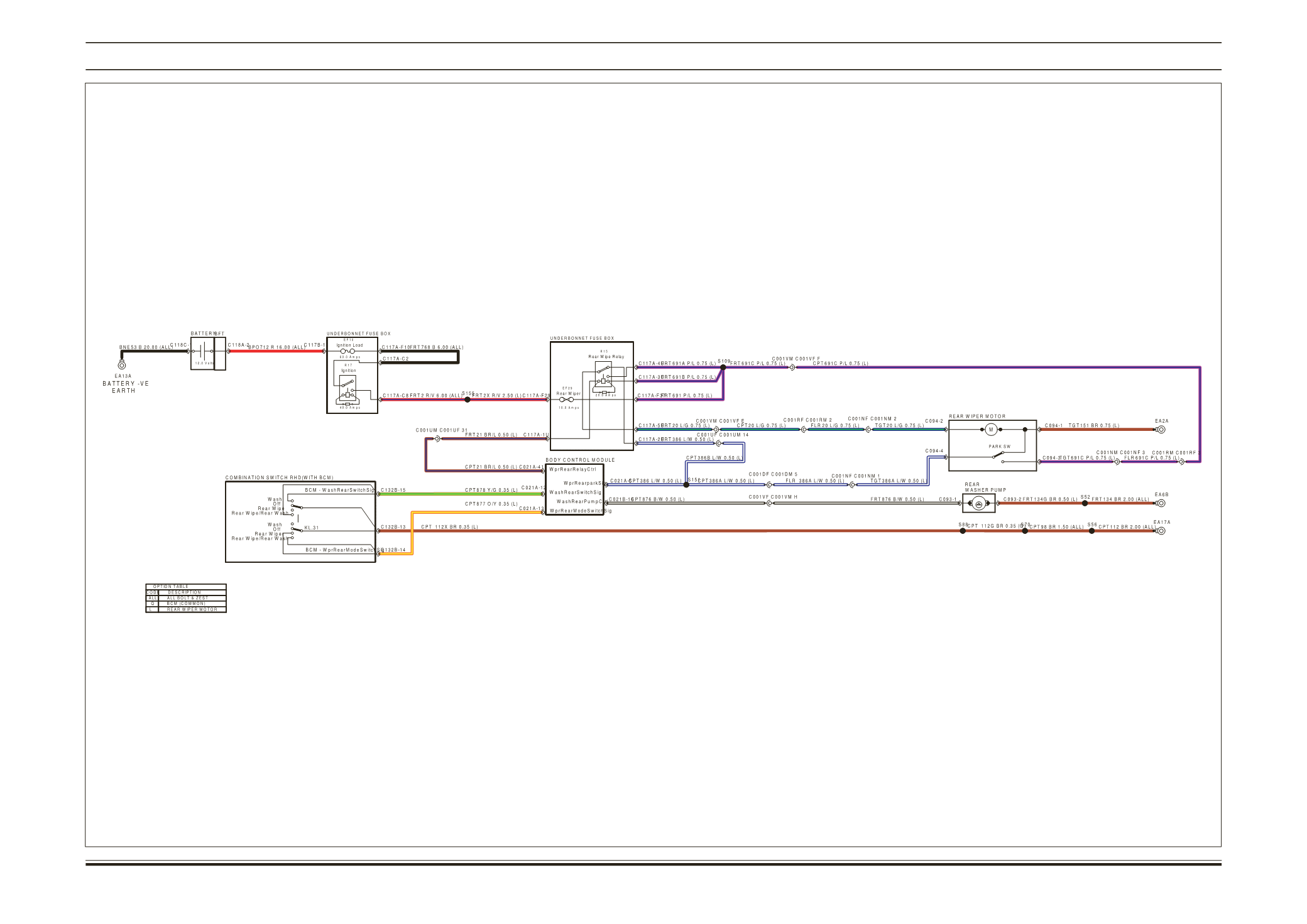
REAR WIPER (BCM)
BOLT / ZEST
1...,1242-1243,1244-1245,1246-1247,1248-1249,1250-1251,1252-1253,1254-1255,1256-1257,1258-1259,1260-1261 1264-1265,1266-1267,1268-1269,1270-1271,1272-1273,1274-1275,1276-1277,1278-1279,1280-1281,1282-1283,...
Powered by FlippingBook