ZEST AND BOLT - page 1196-1197

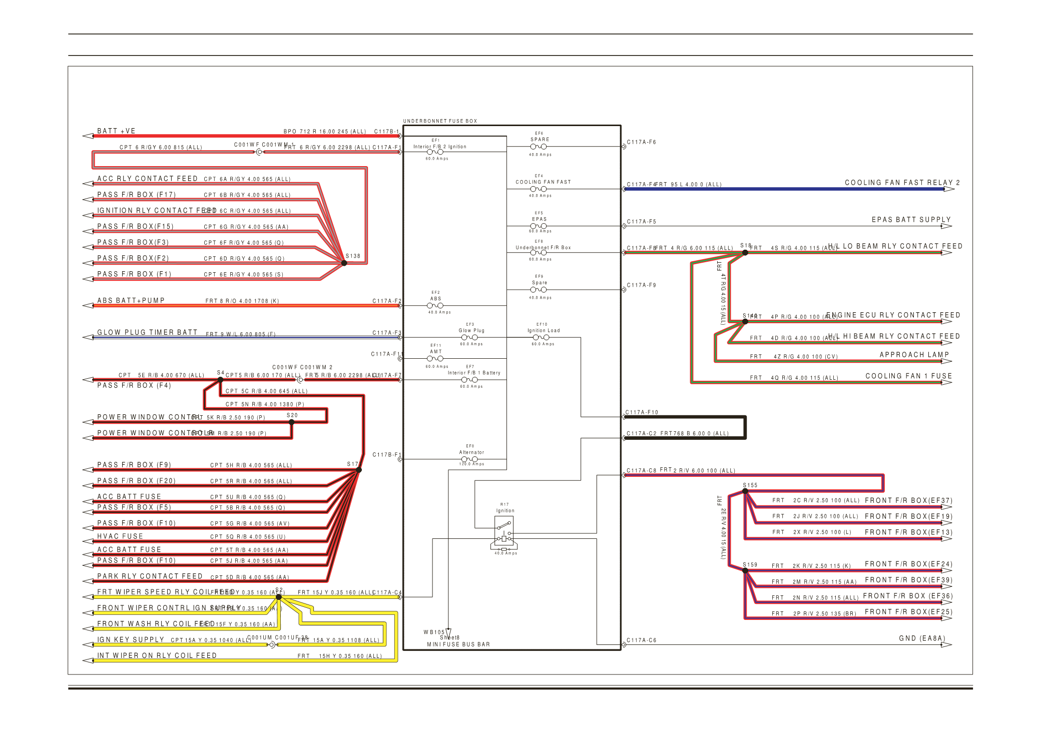
Electrical
6
POWER SUPPLY
BOLT / ZEST
1...,1176-1177,1178-1179,1180-1181,1182-1183,1184-1185,1186-1187,1188-1189,1190-1191,1192-1193,1194-1195 1198-1199,1200-1201,1202-1203,1204-1205,1206-1207,1208-1209,1210-1211,1212-1213,1214-1215,1216-1217,...
Powered by FlippingBook